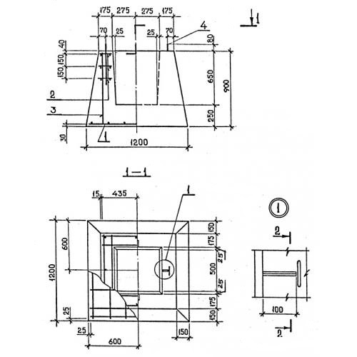
2Ф 12.9 фундаменты под колонны

Чертеж изделия:
Характеристики изделия:
ПараметрЗначение
длина1200 мм
ширина1200 мм
высота900 мм
масса2100 мм
нормативный документГОСТ 24476-80

2Ф 12.9 Фундаменты сборные для колонн ГОСТ 24476-80.