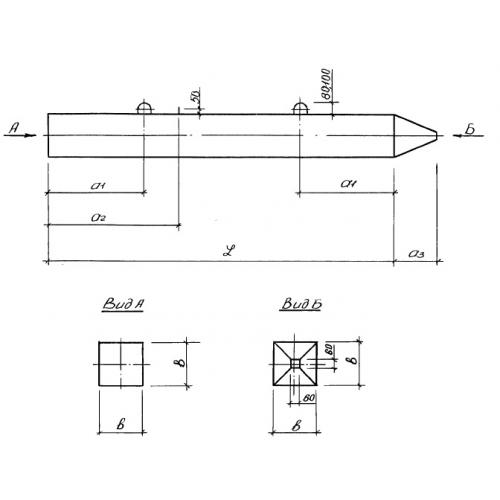
СНпр 14-35
Характеристики изделия:
| Параметр | Значение |
|---|---|
| длина | 14000 мм |
| ширина | 350 мм |
| высота | 350 мм |
| масса | 4330 кг |
| нормативный документ | Серия 1.011-6 |
Цена:
Рассчитать стоимостьСНпр 14-35 Сваи цельные сплошного квадратного сечения с напрягаемой продольной арматурой из высокопрочной проволоки (Серия 1.011-6).
