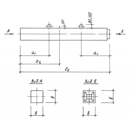
С 140.40

Чертеж изделия:
Характеристики изделия:
ПараметрЗначение
длина14000 мм
ширина400 мм
высота400 мм
вес5600 кг
серия1.011.1-10

С 140-40 сваи составные верхние по серии 1.011.1-10.