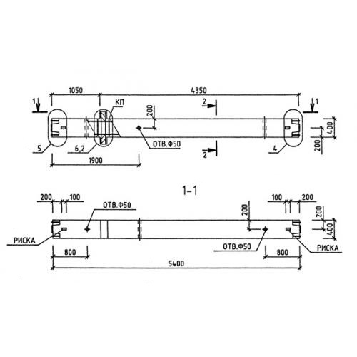
1КС 54 колонны

Чертеж изделия:
Характеристики изделия:
ПараметрЗначение
длина5400 мм
ширина400 мм
высота400 мм
масса2160 кг
нормативный документСерия 1.020-1/87

1КС 54  Колонны средние Серия 1.020-1/87.