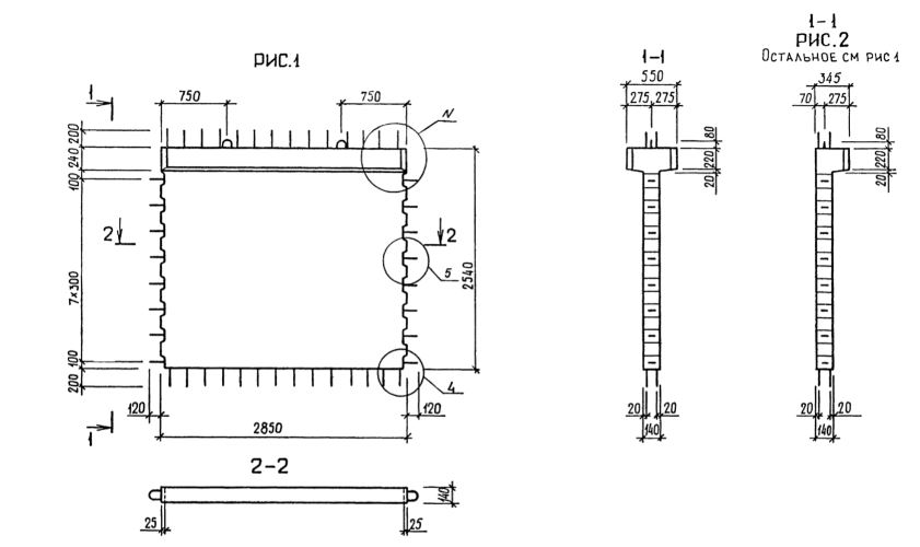
2Д 29.25

Чертеж изделия:
Характеристики изделия:
ПараметрЗначение
длина3090 мм
ширина550 мм
высота2940 мм
масса3260 кг
нормативный документСерия 1.020.1-3пв

2Д 29.25  Диафрагмы жесткости с двумя полками Серия 1.020.1-3пв.