4КО 3.28(33)

Чертеж изделия:
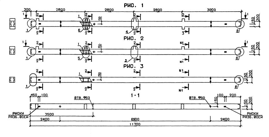
Характеристики изделия:
ПараметрЗначение
длина11700 мм
ширина300 мм
высота450 мм
масса2840 кг
нормативный документСерия 1.020.1-3пв

4КО 3.28  Колонны одноконсольные Серия 1.020.1-3пв.