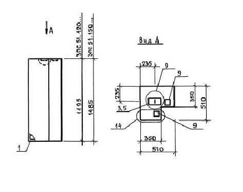
ПС 51.120.3.5 панели стеновые
Характеристики изделия:
| Параметр | Значение |
|---|---|
| длина | 510 мм |
| ширина | 350 мм |
| высота | 1185 мм |
| масса | 420 кг |
| нормативный документ | Серия 1.030.1-1/88 |
Цена:
Рассчитать стоимостьПС 51.120.3.5 Панели стеновые Серия 1.030.1-1/88.
| Параметр | Значение |
|---|---|
| длина | 510 мм |
| ширина | 350 мм |
| высота | 1185 мм |
| масса | 420 кг |
| нормативный документ | Серия 1.030.1-1/88 |
ПС 51.120.3.5 Панели стеновые Серия 1.030.1-1/88.