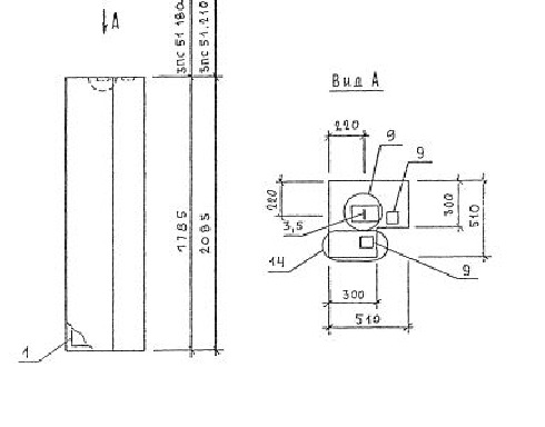
ПС 51.210.3.0 панели стеновые
Характеристики изделия:
| Параметр | Значение |
|---|---|
| длина | 510 мм |
| ширина | 300 мм |
| высота | 2085 мм |
| масса | 630 кг |
| нормативный документ | Серия 1.030.1-1/88 |
Цена:
Рассчитать стоимостьПС 51.210.3.0 Панели стеновые Серия 1.030.1-1/88.
| Параметр | Значение |
|---|---|
| длина | 510 мм |
| ширина | 300 мм |
| высота | 2085 мм |
| масса | 630 кг |
| нормативный документ | Серия 1.030.1-1/88 |
ПС 51.210.3.0 Панели стеновые Серия 1.030.1-1/88.