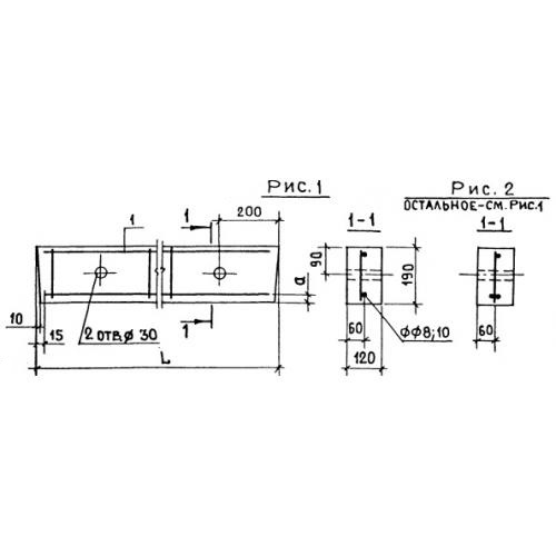
9ПБ 26 перемычки брусковые

Чертеж изделия:
Характеристики изделия:
ПараметрЗначение
длина2590 мм
ширина120 мм
высота190 мм
масса148 кг
нормативный документСерия 1.038.1-1

9ПБ 26  Перемычки брусковые Серия 1.038.1-1.