9ПП 12 перемычки плитные

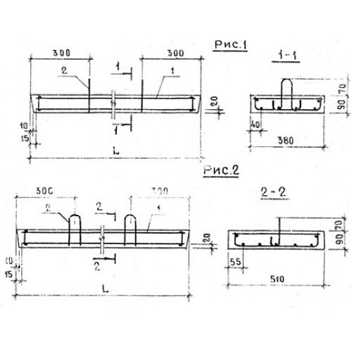
Чертеж изделия:
Характеристики изделия:
ПараметрЗначение
длина1160 мм
ширина510 мм
высота90 мм
масса133 кг
нормативный документСерия 1.038.1-1

9ПП 12  Железобетонные перемычки плитного типа Серия 1.038.1-1.