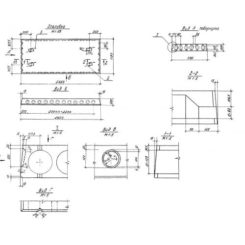
ПК 27.12

Чертеж изделия:
Характеристики изделия:
ПараметрЗначение
длина2650 мм
ширина1190 мм
высота220 мм
масса900 кг
нормативный документСерия 1.041.1-2

ПК 27.12  Пустотные межэтажные плиты перекрытия  Серия 1.041.1-2.