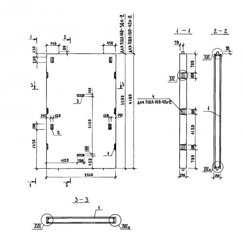
ПШЛ 160-42 панель шахты лифта основная
Характеристики изделия:
| Параметр | Значение |
|---|---|
| длина | 2510 мм |
| ширина | 140 мм |
| высота | 4180 мм |
| масса | 3670 кг |
| нормативный документ | Серия 1.089.1-1 |
Цена:
Рассчитать стоимостьПШЛ 160-42 Панели шахт лифтов Серия 1.089.1-1.
| Параметр | Значение |
|---|---|
| длина | 2510 мм |
| ширина | 140 мм |
| высота | 4180 мм |
| масса | 3670 кг |
| нормативный документ | Серия 1.089.1-1 |
ПШЛ 160-42 Панели шахт лифтов Серия 1.089.1-1.
