В1.3-47.27.12-2.2

Чертеж изделия:
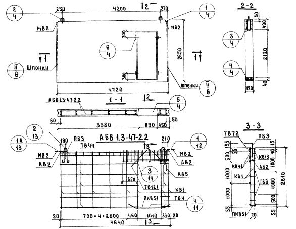
Характеристики изделия:
ПараметрЗначение
длина4720 мм
ширина120 мм
высота2650 мм
масса3160 кг
нормативный документСерия 1.131-1

В1.3-47.27.12-2.2    Внутренние стеновые панели   (Серия 1.131-1).