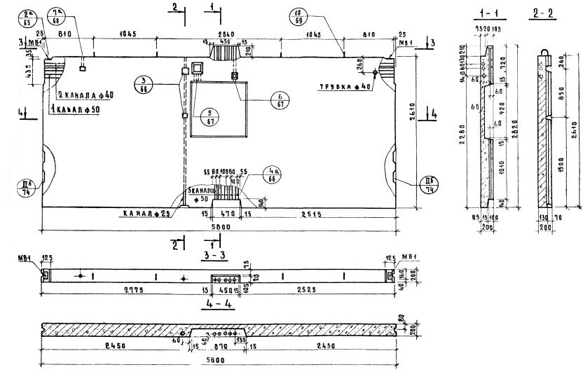
ВЭ1-58-26-2

Чертеж изделия:
Характеристики изделия:
ПараметрЗначение
длина5800 мм
ширина200 мм
высота2610 мм
масса7150 кг
нормативный документСерия 1.131-10

Серия 1.131-10   Панели групп ВЭ1, ВЭ2, ВЭ4 длиной от 2,4 до 6 м  толщиной 200 мм.

ВЭ1-58-26-2   Внутренние стеновые электротехнические панели.