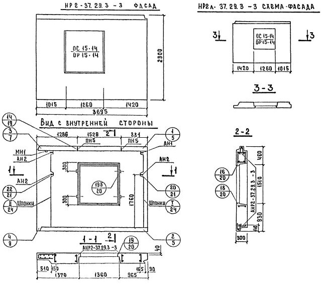
НР2-37.29.3-3
Характеристики изделия:
| Параметр | Значение |
|---|---|
| Длина | 3695 мм |
| Ширина | 300 мм |
| Высота | 2900 мм |
| Масса | 3550 кг |
| Нормативный документ | Серия 1.132-2 |
Цена:
Рассчитать стоимостьНР2-37.29.3-3 Наружная стеновая панель рядовая по Серии 1.132-2.
| Параметр | Значение |
|---|---|
| Длина | 3695 мм |
| Ширина | 300 мм |
| Высота | 2900 мм |
| Масса | 3550 кг |
| Нормативный документ | Серия 1.132-2 |
НР2-37.29.3-3 Наружная стеновая панель рядовая по Серии 1.132-2.