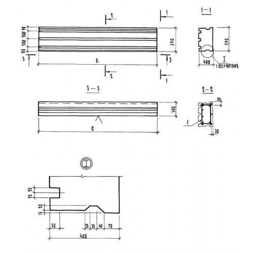
ПВ 54.6.40

Чертеж изделия:
Характеристики изделия:
ПараметрЗначение
длина5370 мм
ширина590 мм
высота400 мм
вес870 кг
серия1.165.1-10

ПВ 54.6.40 Вентилируемые панели покрытия по серии 1.165.1-10.