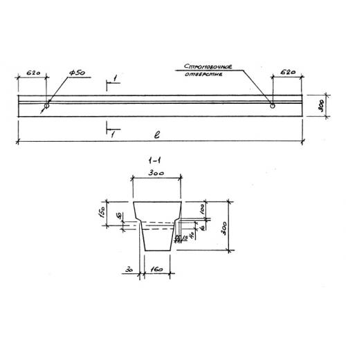
ФБ 45-30 балки фундаментные

Чертеж изделия:
Характеристики изделия:
ПараметрЗначение
длина4450 мм
ширина300 мм
высота300 мм
масса750 кг
нормативный документСерия 1.415-1

ФБ 45-30  Балки фундаментные Серия 1.415-1.