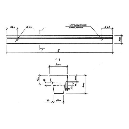
2БФ 40 балки

Чертеж изделия:
Характеристики изделия:
ПараметрЗначение
длина4000 мм
ширина300 мм
высота300 мм
масса670 кг
нормативный документСерия 1.415.1-2

2БФ 40  Балки фундаментные Серия 1.415.1-2.