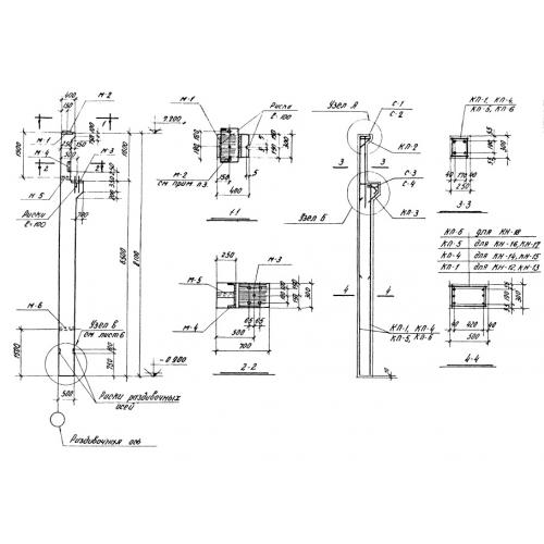
КН

Чертеж изделия:
Характеристики изделия:
ПараметрЗначение
длина8100 мм
ширина500 мм
высота300 мм
масса2800 кг
нормативный документСерия 1.423-2

КН   Бетонные армированные колонны предназначены для возведения каркасов сооружений индустриального назначения, оборудованными мостовыми кранами с ручным управлением, Серия 1.423-2.