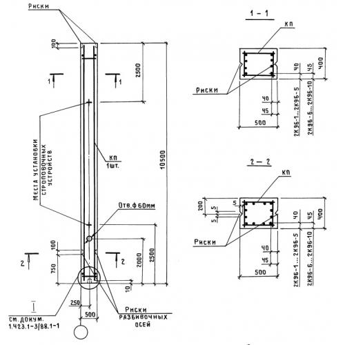
2К 96 колонны

Чертеж изделия:
Характеристики изделия:
ПараметрЗначение
длина10500 мм
ширина400 мм
высота500 мм
масса5300 кг
нормативный документСерия 1.423.1-3/88

2К 96 Колонны Серия 1.423.1-3/88.