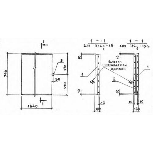
П 16д

Чертеж изделия:
Характеристики изделия:
ПараметрЗначение
длина740 мм
ширина1840 мм
высота180 мм
вес610 кг
серия3.006-2

П 16д Плиты перекрытия лотков доборные по серии 3.006-2.