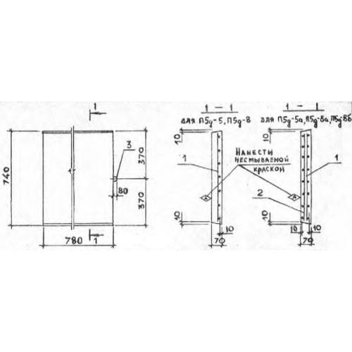
П 5д

Чертеж изделия:
Характеристики изделия:
ПараметрЗначение
длина740 мм
ширина780 мм
высота70 мм
вес100 кг
серия3.006-2

П 5д Плиты перекрытия лотков доборные по серии 3.006-2.