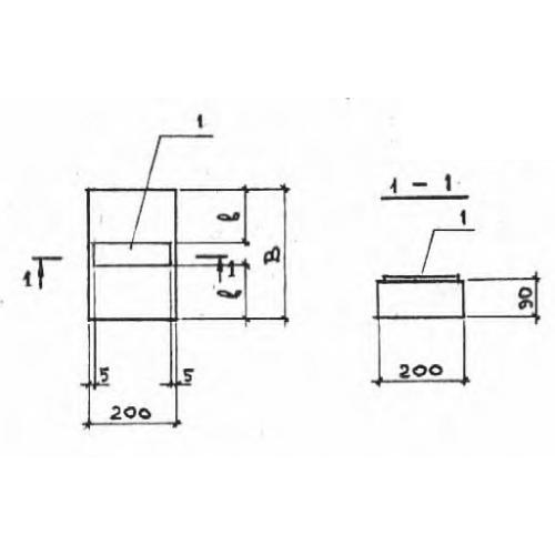
ОП 1

Чертеж изделия:
Характеристики изделия:
ПараметрЗначение
длина200 мм
ширина200 мм
высота90 мм
масса10 кг
нормативный документСерия 3.006.1-2/82

ОП 1  Опорные подушки Серия 3.006.1-2/82.