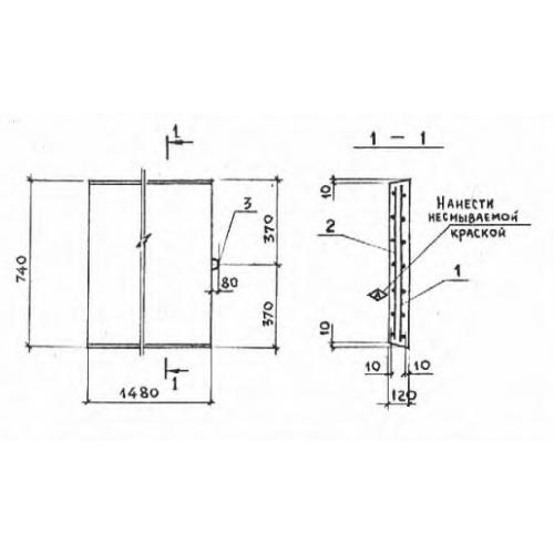
П 13 д плиты лотков
Характеристики изделия:
| Параметр | Значение |
|---|---|
| длина | 740 мм |
| ширина | 1480 мм |
| высота | 120 мм |
| масса | 330 кг |
| нормативный документ | Серия 3.006.1-2/87 |
Цена:
Рассчитать стоимостьП 13д Плиты перекрытия лотков доборные Серия 3.006.1-2/87.
| Параметр | Значение |
|---|---|
| длина | 740 мм |
| ширина | 1480 мм |
| высота | 120 мм |
| масса | 330 кг |
| нормативный документ | Серия 3.006.1-2/87 |
П 13д Плиты перекрытия лотков доборные Серия 3.006.1-2/87.
