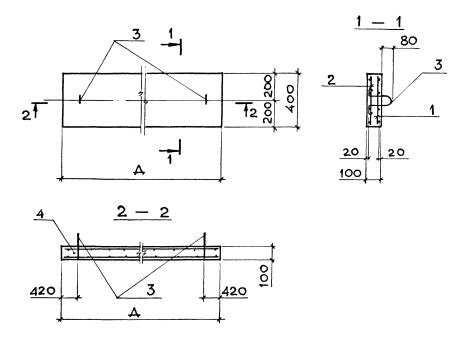
ПП 7 плита

Чертеж изделия:
Характеристики изделия:
ПараметрЗначение
длина2050 мм
ширина400 мм
высота100 мм
масса210 кг
нормативный документСерия 3.006.1-8

ПП 7  Плоские подкладки под стыки сборных элементов канала Серия 3.006.1-8.