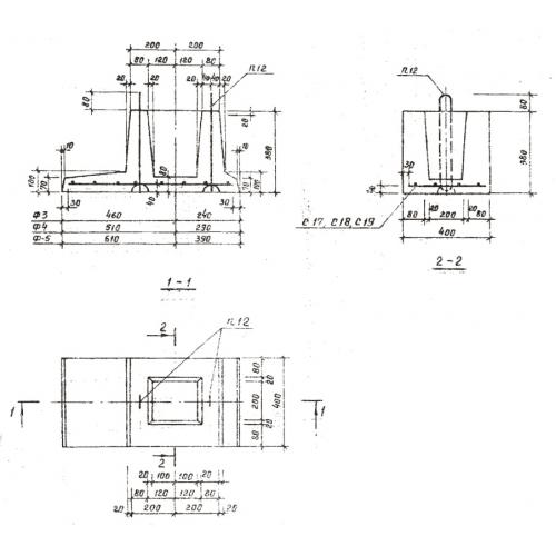
Ф 4 фундамент плиты забора

Чертеж изделия:
Характеристики изделия:
ПараметрЗначение
длина800 мм
ширина400 мм
высота380 мм
масса170 кг
нормативный документСерия 3.017-1

Ф 4  Железобетонные фундаменты  оград Серия 3.017-1.