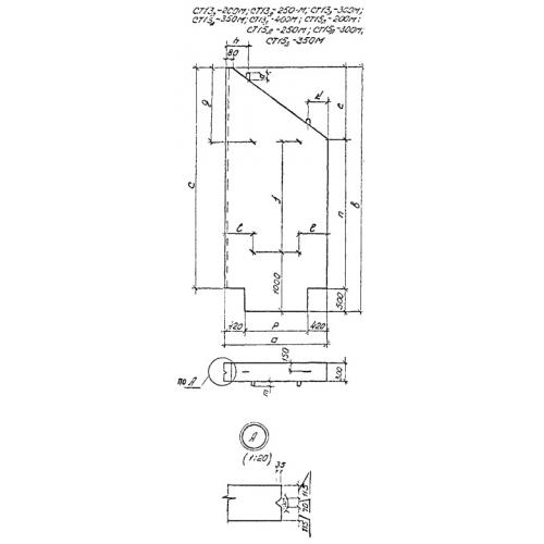
СТ 15 стенка

Чертеж изделия:
Характеристики изделия:
ПараметрЗначение
длина4850 мм
ширина2600 мм
высота300 мм
масса7400 кг
нормативный документСерия 3.501.1-179.94

СТ 15 Откосные стенки по Серии 3.501.1-179.94.