ЛР 3

Чертеж изделия:
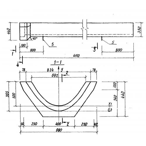
Характеристики изделия:
ПараметрЗначение
длина4110 мм
ширина980 мм
высота440 мм
масса525 кг
нормативный документСерия 3.820-23

ЛР 3 Лотки раструбные параболические водопойные по Серии 3.820-23.