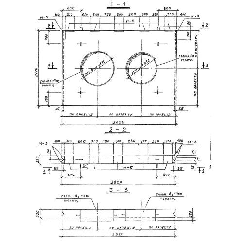
ПС-10

Чертеж изделия:
Характеристики изделия:
ПараметрЗначение
длина3820 мм
ширина220 мм
высота2170 мм
масса3650 кг
нормативный документСерия 3.903 КЛ-13

ПС-10  Панели стеновые по Серии 3.903 КЛ-13.