ПС-6

Чертеж изделия:
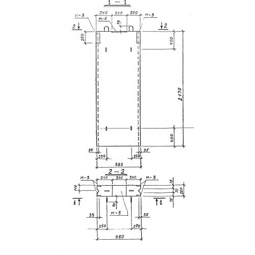
Характеристики изделия:
ПараметрЗначение
длина980 мм
ширина220 мм
высота2170 мм
масса1150 кг
нормативный документСерия 3.903 КЛ-13

ПС-6  Панели стеновые по Серии 3.903 КЛ-13.