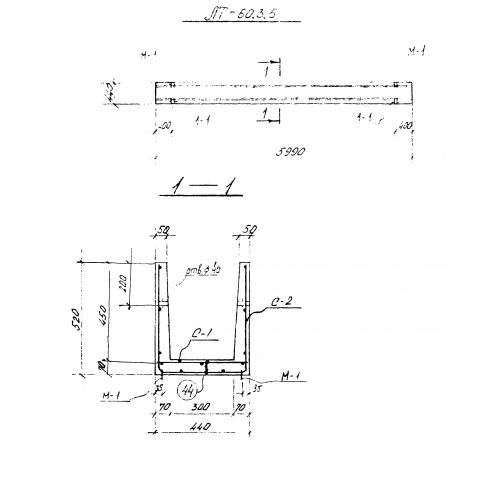
ЛТ 60

Чертеж изделия:
Характеристики изделия:
ПараметрЗначение
длина5990 мм
ширина440 мм
высота520 мм
масса1300 кг
нормативный документСерия 3.903 КЛ-14

ЛТ 60   Лотки теплофикационные по Серии 3.903 КЛ-14.