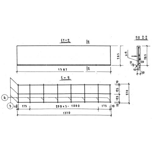
СТ 2
Характеристики изделия:
| Параметр | Значение |
|---|---|
| длина | 1387 мм |
| ширина | 285 мм |
| высота | 40 мм |
| масса | 40 кг |
| нормативный документ | Серия ИИС 04-7 |
Цена:
Рассчитать стоимостьСТ 2 Накладные проступи по Серии ИИС 04-7.
| Параметр | Значение |
|---|---|
| длина | 1387 мм |
| ширина | 285 мм |
| высота | 40 мм |
| масса | 40 кг |
| нормативный документ | Серия ИИС 04-7 |
СТ 2 Накладные проступи по Серии ИИС 04-7.
