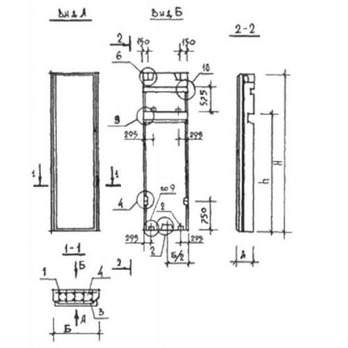
ВНП 12-41-3.5 наружные стеновые панели

Чертеж изделия:
Характеристики изделия:
ПараметрЗначение
длина4075 мм
ширина1190 мм
высота350 мм
масса1856 кг
нормативный документСерия КУБ 2.5

ВНП 12-41-3.5  Вертикальные наружные стеновые панели Серия КУБ 2.5.