ПСЦ 1
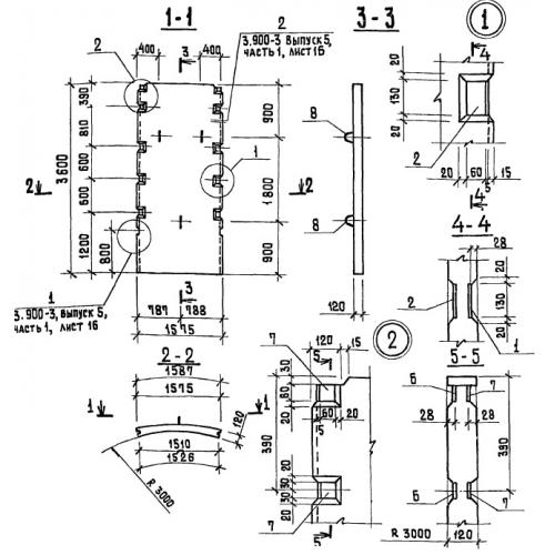
Характеристики изделия:
| Параметр | Значение |
|---|---|
| длина | 1575 мм |
| ширина | 120 мм |
| высота | 3600 мм |
| вес | 1700 кг |
| серия | ТП 902-2-356 |
Цена:
Рассчитать стоимостьПСЦ 1 Панели стеновые по проекту ТП 902-2-356.
| Параметр | Значение |
|---|---|
| длина | 1575 мм |
| ширина | 120 мм |
| высота | 3600 мм |
| вес | 1700 кг |
| серия | ТП 902-2-356 |
ПСЦ 1 Панели стеновые по проекту ТП 902-2-356.
