УБКм 325 Утяжелители

Чертеж изделия:
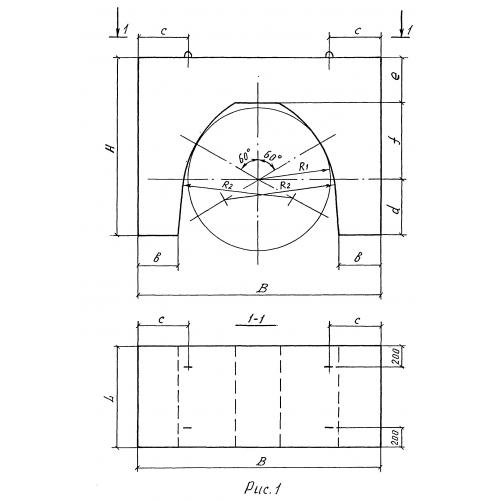
Характеристики изделия:
ПараметрЗначение
длина900 мм
ширина800 мм
высота550 мм
масса740 кг
нормативный документТУ 102-421-86

УБКм 325 Утяжелители болотные клиновидные модифицированные по  ТУ 102-421-86.